首页
樱花ppt模板
贝洛简介
荣誉资质
核心竞争力
发展历程
公司风貌
企业文化
产品与解决方案
厨卫电器
线束连接器
汽配零部件
智能装备
低空飞行器 (9.1樱花ppt网站)
樱花设计素材 - 其它领域
9.1版本ppt
资讯媒体
9.1樱花ppt网站
行业资讯 (樱花模板下载)
常见问题
人才战略
人才理念
社会引才 (9.1樱花ppt网站)
"樱花ppt模板" 校园引才
樱花ppt模板
联系方式
子公司及分支机构
切换语言 ▼
English
にほんご
Deutsch
首页
樱花ppt模板
贝洛简介
荣誉资质
核心竞争力
发展历程
公司风貌
企业文化
产品与解决方案
厨卫电器
线束连接器
汽配零部件
智能装备
低空飞行器
其它领域
9.1版本ppt
资讯媒体
9.1樱花ppt网站
行业资讯
常见问题
人才战略
人才理念
社会引才
校园引才
樱花ppt模板
联系方式
子公司及分支机构
"樱花模板下载" 切换语言
English
にほんご
Deutsch
News information
资讯媒体
首页
资讯媒体
常见问题
9.1樱花ppt网站
樱花设计素材 - 行业资讯
樱花设计素材 - 常见问题
常见问题
9.1樱花ppt网站 - 如何减少橡胶模具频繁脏污?
2025-03-13
常见问题
"樱花ppt模板" 硅胶产品拉伸后发白现象的原因及解决方案
2025-03-13
樱花设计素材 -
常见问题
商用车空气悬架:美式与欧式有何区别?
2025-03-12
ppt资源网站 -
常见问题
最常见的天然橡胶减震制品大集合
2025-03-05
常见问题
CDC减震系统工作原理解析
2025-03-05 (9.1版本ppt)
.1樱花ppt网站 -
常见问题
哪些橡胶制品会用到丁基橡胶?
2025-03-05
常见问题
"樱花ppt模板" 橡胶混炼过程中使用隔离剂与不使用隔离剂对胶料的影响
2025-03-04
常见问题
橡胶混炼过程中各材料的添加顺序 (ppt资源网站)
2025-03-04
常见问题
"9.1樱花ppt网站" 阻尼橡胶的种类、特点及配方设计要点
2025-03-04
常见问题
9.1樱花ppt网站 - 常见橡胶减震制品汇总
2025-02-25
"樱花模板下载" 常见问题
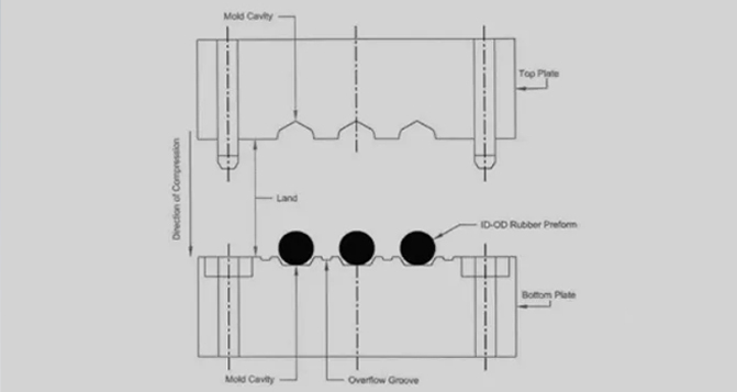
橡胶模压制品如何避免流动痕迹?
2025-02-25
常见问题
橡胶密封件去除飞边,哪种方法最好?
2025-02-25
常见问题
"樱花设计素材" 平板模压、注射模压与传递模压
2025-02-25
常见问题
"ppt资源网站" 揭开橡胶制品“烂疤”之谜:它究竟是如何形成的?
2025-02-11
"樱花模板下载" 常见问题
深入分析橡胶制品表面发粘的原因
2025-02-11
«
1
2
3
4
5
6
7
8
...
35
36
»
联系
0769-8100 6001
咨询热线,工作时间 8:30-17:30 (ppt资源网站)
9.1樱花ppt网站
.
"9.1版本ppt" 151-0769-5010
7*24全时咨询,询价报价
微信
业务咨询
顶部